| 9. | What type of circuit is shown below and which statement best describes its operation?
|
|||||||
Answer: Option C Explanation: No answer description available for this question. |
| 10. |
|
|||||||
Answer: Option A Explanation: No answer description available for this question. |
| 11. | What type of logic circuit is shown below and what logic function is being performed?
|
|||||||
Answer: Option C Explanation: No answer description available for this question. |
| 12. | Refer the given figure. Which of the following describes the operation of the circuit?
|
|||||||
Answer: Option C Explanation: No answer description available for this question. |
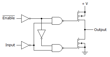
| 13. | Refer to the given figure. What type of output arrangement is being used for the output?
|
|||||||
Answer: Option D Explanation: No answer description available for this question. |
| 14. |
|
|||||||
Answer: Option B Explanation: No answer description available for this question. |
| 15. |
|
|||||||
Answer: Option D Explanation: No answer description available for this question. |
| 16. |
|
|||||||
Answer: Option D Explanation: No answer description available for this question. |
