| 9. |
|
|||||||
Answer: Option B Explanation: No answer description available for this question |
| 10. |
|
|||||||
Answer: Option C Explanation: No answer description available for this question |
| 11. | Refer to this figure. Determine IC.
|
|||||||
Answer: Option B Explanation: No answer description available for this question |
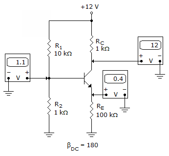
| 12. | Refer to the given figure. The most probable cause of trouble, if any, from these voltage measurements would be
|
|||||||
Answer: Option B Explanation: No answer description available for this question |
| 13. |
|
|||||||
Answer: Option D Explanation: No answer description available for this question. |
| 14. |
|
|||||||
Answer: Option A Explanation: No answer description available for this question |
| 15. | Refer to this figure. In the voltage-divider biased npn transistor circuit, if RC opens, the transistor is
|
|||||
Answer: Option C Explanation: No answer description available for this question |
| 16. | Refer to this figure. Assume that IC
|
|||||||
Answer: Option D Explanation: No answer description available for this question |
