| 17. |
|
|||||||
Answer: Option D Explanation: No answer description available for this question |
| 18. |
|
|||||||
Answer: Option B Explanation: No answer description available for this question |
| 19. |
|
|||||||
Answer: Option D Explanation: No answer description available for this question |
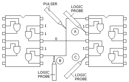
| 20. | Based on the indications of probe A in the figure given below, what is wrong, if anything, with the circuit?
|
|||||||
Answer: Option D Explanation: No answer description available for this question |
| 21. |
|
|||||||
Answer: Option B Explanation: No answer description available for this question |
| 22. |
|
|||||||
Answer: Option C Explanation: No answer description available for this question |
| 23. |
|
|||||||
Answer: Option A Explanation: No answer description available for this question. |
| 24. |
|
|||||||
Answer: Option C Explanation: No answer description available for this question. |
